High frequency pressure sensors are specifically designed for measuring rapidly changing dynamic pressures. They feature a high natural frequency, extremely short rise time, and a broad response bandwidth.These characteristics distinguish them markedly from static or quasi-static pressure sensors, which are primarily employed for measuring stable or slowly varying pressures.
Principle of Operation for High Frequency Pressure Sensors
The operating principle of high frequency pressure sensors is based on phenomena such as the piezoelectric effect and strain gauge effect.When subjected to pressure shocks or rapidly changing pressure signals, the sensing elements within the sensor generate corresponding electrical signal outputs.
Following signal conditioning and amplification, these are converted into standardised signal outputs.The sensor’s rapid response and high frequency measurement capabilities enable it to accurately capture instantaneous pressure variations, providing critical data support for high-speed dynamic experiments.
Sino-Inst’s SI-90 high frequency dynamic pressure transmitter was specifically engineered for this purpose.Incorporating high-performance chips from Germany’s HELM GmbH, it employs micro-machining technology to achieve compact integrated silicon dimensions and elevated natural frequencies.Possessing superior elastic mechanical properties, its overall performance surpasses that of piezoelectric dynamic pressure sensors, making it an excellent choice for dynamic pressure measurement.
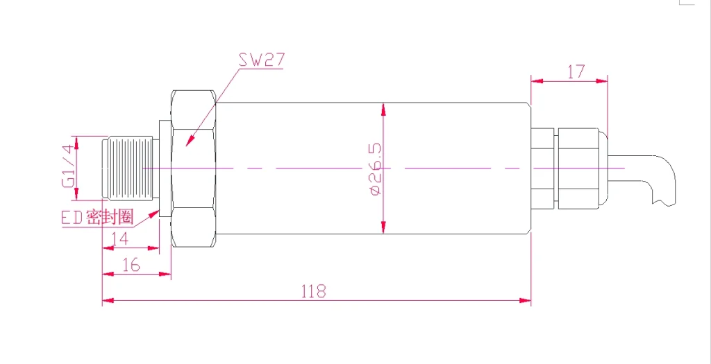
High Frequency Pressure Sensor Case
Measured Medium: Gases or liquids compatible with 316L stainless steel
Measurement Range: 0–1.5 MPa
Operating Power Supply: ±15V DC
Output Signal: 0–5V DC (four-wire system)
Measurement Accuracy (Linearity + Repeatability + Hysteresis): ±0.4% FS
Frequency Response: 0-100 kHz
Medium Temperature: -40–100℃
Process Connection: M20x1.5 external thread
Protection Rating: IP65
High frequency Response Characteristics
Frequency response denotes a sensor’s capability to respond to signals of varying frequencies.For high frequency pressure sensors, this characteristic serves as a key indicator of their ability to accurately capture pressure variations under dynamic conditions.Sensors with favourable frequency response effectively track rapidly changing pressure signals and deliver reliable output data.
Bandwidth: The bandwidth of a high frequency pressure sensor is typically expressed by its maximum response frequency.A wider bandwidth enables the sensor to accurately respond across a broader range of signal frequencies.In dynamic pressure scenarios, such as shock or pulsed pressures, sensors with greater bandwidth can measure these variations more precisely, avoiding measurement errors caused by insufficient frequency response.
Time Response: The time response capability of high frequency pressure sensors is closely linked to their internal signal processing speed. Generally, a shorter response time enables faster capture of transient pressure changes, thereby enhancing measurement real-time performance.In rapidly fluctuating pressure environments, high frequency sensors deliver near-real-time data, significantly improving control system reaction speeds.
Transient Response: The transient response of high frequency pressure sensors refers to their immediate reaction capability to pressure variations.For pulsed signals or transient pressure fluctuations, the sensor delivers precise data output within an extremely brief time frame.
Interference Resistance: For high-frequency applications, it is very important that the sensor is not affected by external interference. High frequency sensors need to be able to resist electromagnetic interference (EMI) from other equipment or electronic parts in the area. This is because EMI can affect the sensors and affect the accuracy and stability of the data they collect.
The Relationship Between High Frequency Response and Measurement Accuracy
The ability to respond quickly to pressure changes is crucial for accurate measurement, especially in dynamic pressure testing. The frequency response of a sensor directly affects its ability to capture these rapidly changing pressure signals. If a sensor’s frequency response is poor, it may not respond quickly enough to changes in pressure.
This can lead to data being delayed or lost, which can affect how accurate the measurements are.Conversely, a sensor with superior frequency response characteristics can effectively track pressure changes, minimising errors arising from lag and thereby enhancing measurement precision.
Furthermore, measurement accuracy is influenced by the following factors:
Sensor sensitivity: Sensitivity is how well a sensor can detect small changes in pressure.If a sensor is more sensitive, it can detect smaller changes in pressure. While high-sensitivity sensors deliver more precise results, their noise immunity must also be considered.
Sensor linearity: Linearity refers to the proportional relationship between the sensor’s output signal and the actual pressure. High frequency pressure sensors should be very accurate. Non-linearity errors directly impact sensor precision, with their cumulative effect becoming more pronounced during prolonged or high frequency measurements.
Temperature stability: As environmental temperature fluctuations may alter a sensor’s physical properties, its temperature stability is a critical factor in assessing accuracy. High frequency pressure sensors usually need to be able to compensate for temperature changes to give accurate measurements.
Signal processing and conversion precision: The output signal from high frequency pressure sensors usually undergoes analogue-to-digital conversion (ADC) before being read.Consequently, the precision of the ADC, sampling frequency, and data processing algorithms directly influence the accuracy of the final measurement results.
High frequency Pressure Sensors VS Conventional Sensors
1.Operating Frequency Range
high frequency pressure sensors and conventional pressure sensors exhibit significant differences in their operating frequency ranges. High frequency pressure sensors are designed to deal with pressure that is always changing, normally working somewhere between 0 and 200 kilohertz (kHz).
This makes them particularly suitable for applications requiring real-time, high frequency data, such as acoustic measurements, vibration analysis, and monitoring of rapid fluid flows.In contrast, standard pressure sensors generally operate at lower frequencies and are better suited to relatively slow-changing pressure conditions, such as industrial automation and liquid level monitoring.
2.Response Time
Closely related to operating frequency is the sensor’s response time. High frequency pressure sensors, engineered for rapid response, typically exhibit response times in the microsecond range, reaching 0–1μs.
This enables them to capture pressure variations within extremely brief intervals, delivering highly time-sensitive data. However, normal pressure sensors take longer to respond, usually on a millisecond or longer timescale. This makes them better for situations where the speed of response isn’t as important.
3.Accuracy and Sensitivity
high frequency pressure sensors generally exhibit superior accuracy and sensitivity, achieving levels as high as ±0.4% of full scale (FS).Their design objective of capturing instantaneous, high frequency pressure fluctuations necessitates heightened sensitivity to pressure variations and enhanced data precision.
In contrast, conventional pressure sensors may offer comparatively lower accuracy and sensitivity, as they are primarily focused on measuring stable, low-frequency pressure changes.
4.Structural Design
Differences in operating environments and application scenarios also lead to variations in structural design between high frequency and conventional pressure sensors.
High frequency sensors typically employ lightweight, high-strength materials to minimise mass, thereby enhancing responsiveness to rapid pressure fluctuations.Conventional sensors, conversely, may prioritise structural stability and durability to withstand harsher industrial conditions.
Advantages of High Frequency Pressure Sensors
Corrosion Resistance: Fully stainless steel housing with excellent corrosion resistance
Wide Measurement Range: Extensive pressure measurement span
High Frequency: Inherent frequency up to 1MHz
High Efficiency & Convenience: Compact dimensions, lightweight construction, comprehensive range, and high cost-effectiveness
Multi-Medium Measurement: Broad compatibility across various measurement media
High Accuracy: Precise pressure signal measurement within microsecond intervals, meeting high-precision demands in dynamic environments
High Sensitivity: Exceptionally responsive to minute pressure variations, capturing transient pressure fluctuations.
Rapid Response: Features swift response characteristics to accurately capture pressure signals during high-speed dynamic processes.
Versatility: Widely applied in impact testing, explosion experiments, aerospace, and other fields with broad applicability.
Robust Stability: Maintains stable performance in complex environments, ensuring long-term reliable operation.
Exceptional Reliability: Operates stably with strong anti-interference capabilities and durability. Featuring original imported components, it delivers dependable performance under harsh conditions, safeguarding experimental data accuracy.
Practical Applications of High Frequency Pressure Sensors
High frequency pressure sensors find extensive application across multiple sectors due to their high frequency response characteristics and exceptional measurement accuracy, particularly in scenarios demanding stringent pressure signal requirements.
Aerospace: Within the aerospace domain, aircraft undergo rapid atmospheric pressure fluctuations during high-speed flight. To ensure the stability and safety of aircraft systems, high frequency pressure sensors are essential for real-time monitoring and adjustment of pressurisation systems, enabling adaptation to extreme dynamic pressure environments.
Automotive Industry: Within the automotive sector, particularly in powertrain systems and airbag systems, instantaneous pressure variations are critical.High frequency pressure sensors enable timely responses to air pressure changes, ensuring rapid system reactions during emergencies and enhancing driving safety.
Medical Equipment: Within healthcare, particularly in devices such as ventilators and blood pressure monitors, high frequency pressure sensors deliver real-time, precise pressure measurements, guaranteeing operational reliability and safety.This is especially vital during minimally invasive procedures, where pressure variations must be conveyed flawlessly to control systems to prevent errors from compromising surgical outcomes.
Energy Sector: During energy production and transmission, particularly in monitoring pressure within natural gas and petroleum pipelines, high frequency pressure sensors enable real-time detection of internal pressure fluctuations.This prevents catastrophic consequences arising from abnormal pressure conditions.Industrial Automation: High-frequency pressure sensors facilitate the monitoring and regulation of pressure in industrial production processes. They are particularly important in high-speed production lines, where they ensure operational precision and maintain production efficiency.
Dynamic Pressure VS Static Pressure
High frequency pressure sensors are commonly employed to measure dynamic pressure.
What is dynamic pressure?
Dynamic pressure refers to the pressure generated by fluid flow.When a fluid moves at a certain velocity, its kinetic energy can be converted into pressure exerted upon pipe walls or other obstructions, which constitutes dynamic pressure.The magnitude of dynamic pressure is proportional to the square of the fluid’s velocity and its density, typically expressed as 0.5 × ρ × v², where ρ is the fluid’s density and v is its velocity.
Dynamic pressure is used in loads of different engineering and scientific fields, like fluid dynamics, aerospace, and hydraulic transmission. Within fluid dynamics, it serves as a crucial parameter for studying fluid flow and pressure distribution. In aerospace engineering, dynamic pressure guides the design of aircraft wings and tail surfaces to generate required lift and drag at specific speeds. In hydraulic transmission systems, pressure drives (mechanical energy converters) work with hydraulic cylinders and motors.
What is static pressure?
Static pressure refers to the force exerted by a fluid on the walls of a container or the surface of an object when the fluid is at rest or moving with uniform linear velocity. This force comes from the fluid’s own weight and the way its molecules attract each other. In situations where fluids are flowing, static pressure is the pressure that is perpendicular to the direction of the flow.
Static pressure is typically uniformly distributed throughout the flow field and is independent of fluid velocity.When we look more closely at the idea of pressure, we see that it’s more than just a physical thing. Pressure is very important in fluid dynamics. This includes how fluids move, how energy is converted, and how matter is transferred.
From routine pressure monitoring in industrial settings to extreme environment measurement and control in cryogenic conditions, precise pressure data remains the cornerstone of equipment safety and production efficiency.Sino-Inst specialises in pressure sensing technology, offering mature solutions, an extensive product range, and bespoke services to deliver reliable pressure measurement support across diverse industries.
Should you encounter challenges in pressure sensor selection, adaptation, or technical implementation, we invite you to contact us at any time.Our specialist team is available to offer personalised technical consultation, precise selection guidance, and comprehensive after-sales support, providing end-to-end assistance from product specification to on-site deployment. We are eager to collaborate with you to leverage our expertise in precision sensing technology to enhance industrial production, ensuring a more efficient and secure future.




